DM-7-S3: DURAMOUNT 7-S3 - Vessel Weighing Mount
The combination of the Duramount 7-S3 with either the DES7 plated alloy steel load cell or the stainless steel, hermetically sealed DESX double-ended shear beam, delivers a compact and sealed weighing assembly. This assembly is well-suited for medium to high-capacity tank and hopper scales, as well as various types of process weighing and control applications across a wide range of industries and environments.
The consistent design permits the assembly to be securely attached to the floor or supporting structure, as well as the tank, without the need for supplementary mounting plates, load buttons, safety stops, or attachment hardware for checking.
The Duramount 7-S3 is available in stainless steel.
Brochures
Applications
- Powder & Bulk Processing
- Medium to High capacity Tanks & Hoppers
- Food & Beverage Handling
- Mixing, Blending & Batching
- Level & Inventory Control
- Hostile Environment
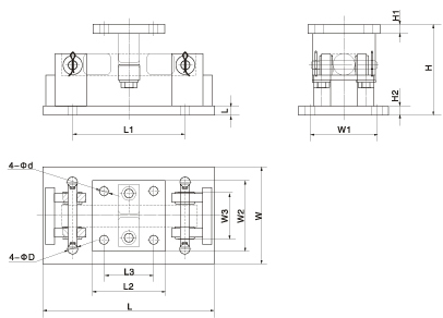
Dimensions

| Capacity | L" | L1" | L2" | L3" | W" | W1" | W2" | W3" | H" | H1" | H2" | D Dia. |
d Dia. |
|---|---|---|---|---|---|---|---|---|---|---|---|---|---|
| 1K, 1.5K, 2K, 2.5K, 4K,5K | 9.25 | 6.25 | 4.00 | 2.75 | 5.00 | 3.75 | 4.00 | 2.75 | 5.13 | 0.50 | 0.50 | 0.56 | 0.56 |
| 10K, 15K, 20K, 25K, 35K | 12.00 | 7.50 | 8.00 | 6.00 | 8.00 | 6.00 | 8.00 | 6.00 | 7.90 | 0.75 | 0.75 | 0.81 | 0.81 |
| 50K, 75K | 16.25 | 11.50 | 9.00 | 6.50 | 12.00 | 9.50 | 9.00 | 6.50 | 9.30 | 1.00 | 1.00 | 0.81 | 0.81 |
For capacities 100K, and 125K request model Duramount 7 Weighing Assembly.
Installation

Figures 1 through 4 illustrates the preferred orientation of a double ended shear beam when installed under TANKS or HOPPERS. The long axis of the cell should be at a right angle to a line drawn from the center of the tank/load. Alternately the long axis of the load cell should point in line with any recurring force, such as in TRUCK SCALES.
Reviews
There are no reviews yet for this product. Write a Review
Write a Review
There are no reviews yet for this product. Write a Review