DM-3E: Hopper / Vessel Weighing Assembly

Hopper / Vessel Weighing Assembly

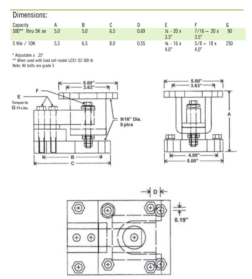
The Duramount 3E load cell weighing assembly is one of the most cost-effective weighing assemblies available and comes in standard capacities of 1K, 2.5K, 4K, 5K, and 10K. It is designed for all low-profile medium capacity applications. The unique center-pivoted, tension-loading design — featuring two spherical washer pairs — tolerates platform movement in all directions, and is self-restoring to its center position. For static loads, check rods are unnecessary. If major load movement is anticipated, platform or vessel bumpers may be required. Platform leveling and adjustment is accomplished easily with the accessible loading bolt assembly. Moreover, the load cell can be removed without raising the platform vessel. The Duramount 3E's simplified design allows it to be bolted directly to the platform/vessel and floor without extra plates, buttons, and other mounting devices normally required.

Brochures

Reviews

There are no reviews yet for this product. Write a Review

add to cartProduct Pricing

Part No.CapacityDescriptionStatusPriceQty.
DM-3E500 to 5,000se lbTank, Hopper, Vessel Weighing Assembly for LCS9 (Load Cell not Included)Call for Lead Time$485.00
increase
decrease
DM-3E-LE5,000LE to 10,000 lbLarge Element Tank, Hopper, Vessel Weighing Assembly for LCS9 (Load Cell not Included)Call for Lead Time$330.00
increase
decrease

add to cart

Features

  • Capacity of 1K to 10K lb.
  • Epoxy paint
  • Two axes of freedom
  • Easy height adjustment and cell interchange
  • Optional stainless steel construction

Applications

  • Light to heavy capacity
  • Filling machines
  • Tank weighing
  • Process weighing
  • Batching
  • Platform scales
  • Harsh environment
  • Conveyors
  • Food Processing
  • Chemical plants

dm-3e load cell mount diagram and dimensions

There are no reviews yet for this product. Write a Review

Product Bulletins