Model DCL10: Tension Link Load Cell / Crane Scale
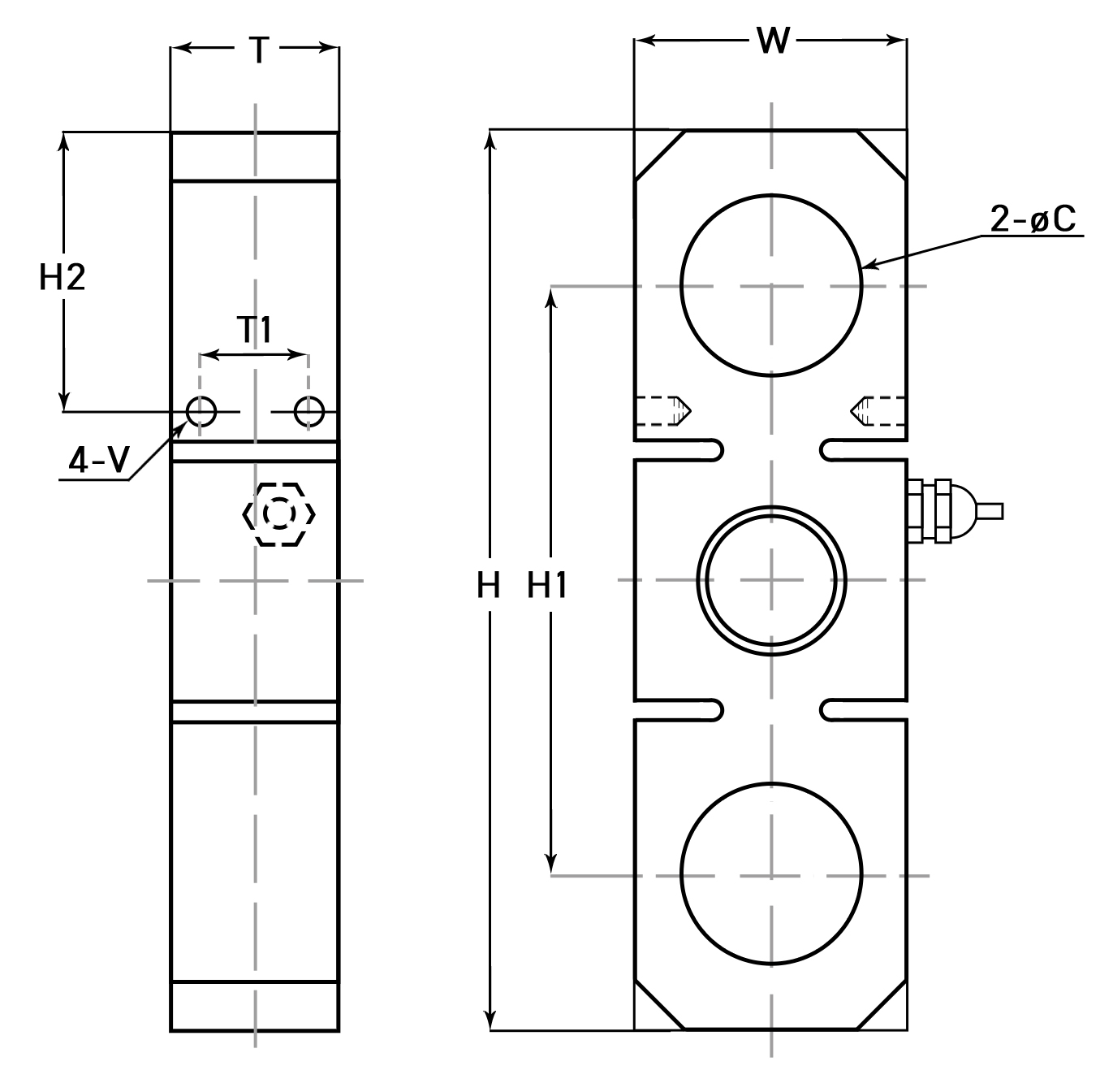
Load Cell Central’s DCL10 is a versatile tension link load cell designed for use in harsh environments. Employed in a wide variety of lift tests, towing tension, cable tension, crane overload limiters, crane scales, hoist scales, and tensile testing systems, the DCL10’s rugged and convenient link design has lent itself to a never-ending list of applications. Precision manufactured from alloy steel and nickel-plated, the DCL10 passes an environmental IP rating of IP67 for use outdoors. With a non-linearity of less than 0.03% of full scale, the DCL10 is an industry leader in tension link accuracy. When coupled with a Load Cell Central digital indicator or signal conditioner, the DCL10 becomes a full weighing system with options like digital displays, large 6” remote displays, 4-20mA output, 0-10V output, RS232, RS485, relay control, or data logging. When ordered with a Load Cell Central calibration, you will receive a full-scale calibration, complete with a 5 point run you can rely on. With high accuracy and a rugged design, the DCL10 will save you time and money.
Capacities
Ranging from 1,000 - 120,000 KG (custom capacities also available)

Reviews
There are no reviews yet for this product. Write a Review
Write a Review


Brochures
Options
- Options Cable Length
- Thru-Hole diameter sizes
- 0-10V or 4-20mA output
- Telemetry system for wireless operation

Tension link load cells are typically used with a shackle at either end of the load cell, allowing for easy connection in most rigging situations.
There are no reviews yet for this product. Write a Review




