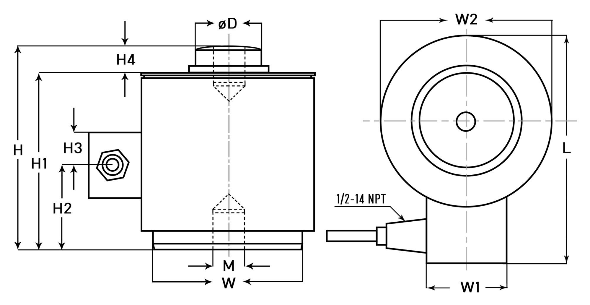
Model UCLD: Universal Canister Load Cell, Tension & Compression
Load Cell Central's UCLD is a stainless steel and hermetically sealed canister load cell which can be used in either tension or compression applications. Applications include but are not limited to tensile testing, crane scales, vessel weighing, and batching processes. Other capacities are available -- please contact Load Cell Central for information.
Direct replacement for the USP / USP1
Capacities
(lb) 500, 1K, 2.5K, 5K, 10K, 25K, 50K, 100K
Brochures
Reviews
There are no reviews yet for this product. Write a Review






