Model SFLC: Scale Foot Load Cell
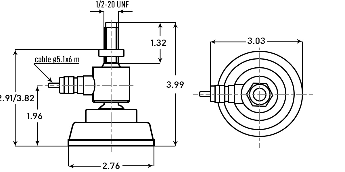
The SFLC scale foot load cell is designed to replace machinery feet and for converting objects such as tables, platforms, hoppers, and conveyors into electronic scales. The rubber foot provides vibration dampening and slip resistance. Made of alloy steel, the load cell is sealed to IP66 making it suitable for most industrial environments. The load cell has a 1/2"-20 UNF threaded stud. A scale is created by simply threading the load cells and jam nuts into place, attaching the load cell cables to a junction box, then to a load cell digital display, and performing a calibration. Systems are also available pre-calibrated from Load Cell Central.
Capacities
1,000; 2,500 lbs
Features
- Non-linearity <0.2% of full scale
- Sealed to IP66
- 6 meter integral cable
- Safe overload 150% of full scale
- Ultimate overload 300% of full scale
- Toll Free Technical Support 1-800-LOADCEL
Reviews
There are no reviews yet for this product. Write a Review
Write a Review
There are no reviews yet for this product. Write a Review





